DisplayPort 2.1開発者の共通の悩みとは?
DisplayPort 2.1は、超高解像度と高速リフレッシュレートを実現するために、超高速ビットレート(UHBR)と複数のシリアルデータレーンを活用する最先端技術です。この革新的な技術を搭載した製品を開発する際、多くのエンジニアが共通の悩みに直面します。
それは、コンプライアンステスト仕様(CTS)に合格しても、実際の製品間での相互運用性試験で予期せぬ問題が発生し、ユーザー満足度の低下を招くケースが多いことです。この問題は、製品の市場投入を遅らせるだけでなく、デバッグにかかる時間とコストを増大させ、開発チームに大きな負担をかけます。
QualiPHY 2が提供する解決策
テレダイン・レクロイは、この開発者の悩みを解決するため、DisplayPort 2.1物理層(PHY)コンプライアンステストに対応した第2世代の自動コンプライアンステストフレームワーク「QualiPHY 2」を発表しました。
QualiPHY 2ソフトウェアは、テレダイン・レクロイのオシロスコープ上で動作し、PCI Express®、USB、Thunderbolt™、DisplayPort、HDMI®といった高速シリアルデータ技術の物理層試験を自動化します。特に、新製品の「QPHY2-DP2-SOURCE-TX」および「QPHY2-DP2-SINK-RX」は、オシロスコープだけでなく、オプションのQPHY2-PCを利用することでホストPC上でのオフライン動作も可能になりました。

VESA認定のQualiPHY 2ソフトウェアは、Source(Tx)とSink(Rx)の試験を単一フレームワークで自動化します。これにより、ラボでの試験効率が大幅に向上します。さらに、取得済みのデータを使ったオフライン試験は、従来の製品と比較して試験時間を大幅に短縮し、ラボのボトルネック解消に貢献します。開発者は、より多くの時間を創造的な作業に費やすことができるでしょう。

導入後のメリット:生産性向上とコスト削減
QualiPHY 2の導入は、開発プロセスに多大なメリットをもたらします。
-
試験時間の劇的な短縮: 自動化されたテストとオフライン解析機能により、テストにかかる時間が大幅に削減されます。これにより、開発者はより多くのテストサイクルを実行でき、製品の品質向上に繋がります。
-
ラボのボトルネック解消: テスト待ち時間の短縮は、ラボ全体の生産性を向上させ、リソースの有効活用を可能にします。
-
開発サイクルの加速: 迅速なテストとデバッグは、製品の市場投入までの時間を短縮し、競争優位性を確立する上で不可欠です。
-
外注費の削減: 内部でのテスト効率が向上することで、外部のテスト機関への依存度を減らし、間接的なコスト削減に繋がる可能性があります。
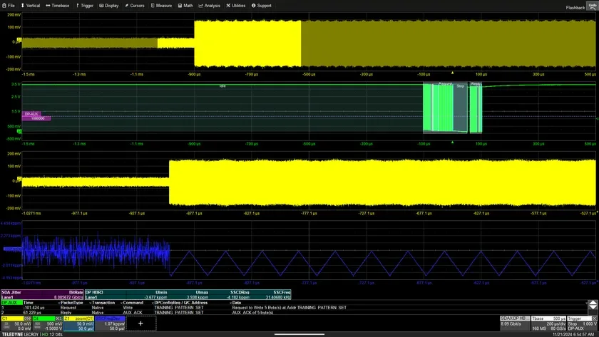
相互運用性デバッグでユーザー満足度を向上
DisplayPort 2.1の相互運用性に関する問題は、CTS合格だけでは解決できない複雑な課題です。リンク設定時のPHY-Logic通信の失敗は、表示接続の切断、タイムアウト、解像度低下といった深刻なユーザー体験の悪化を引き起こします。テレダイン・レクロイは、この相互運用性の問題に特化したデバッグソリューションも提供しています。
相互運用性デバッグソリューションの構成
-
WaveMaster 8000HDオシロスコープ: 50Ω高速入力と1MΩ低速入力を搭載し、SBU/AUX電気信号とメインリンク高速信号の同時捕捉に最適です。
-
DP-AUX TDMPおよびUSB-PD TDMPソフトウェアオプション: AUXチャネルやUSB-Cパワーデリバリーメッセージをトリガ・デコードし、SourceとSinkのリンクネゴシエーションを効率的にデバッグできます。
これらのソリューションを組み合わせることで、開発者は複雑な信号品質の問題やプロトコルレベルの通信エラーを迅速に特定し、解決することが可能になります。これにより、最終的な製品の品質とユーザー満足度が飛躍的に向上するでしょう。

スタートアップ企業も注目すべき理由
限られたリソースで革新的な製品開発を目指すスタートアップ企業にとって、QualiPHY 2は特に価値のあるツールとなるでしょう。効率的なテストとデバッグは、開発コストの抑制と市場投入までの時間短縮に直結します。品質の高い製品を迅速に市場に投入することは、スタートアップの競争力を高め、成功への道を切り開く重要な要素です。初期段階での品質問題は、ブランドイメージに大きなダメージを与える可能性があるため、このような信頼性の高いテストソリューションの導入は、長期的な成長戦略において不可欠と言えます。
まとめ:未来のDisplayPort製品開発を加速する
テレダイン・レクロイのQualiPHY 2は、DisplayPort 2.1のPHYコンプライアンステストとデバッグにおける開発者の課題を解決し、生産性向上、コスト削減、そして競争力強化を実現する強力なツールです。高速インターフェース技術の進化に伴い、より高度で効率的なテストソリューションが求められる中、QualiPHY 2は、次世代のDisplayPort製品開発を支える基盤となることでしょう。製品の品質に妥協せず、市場で優位に立ちたいと考えるすべての開発者にとって、QualiPHY 2はきっと心強い味方となるはずです。
関連情報
製品・ソリューションの詳細については、以下のリンクをご覧ください。
